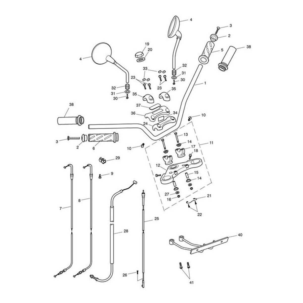
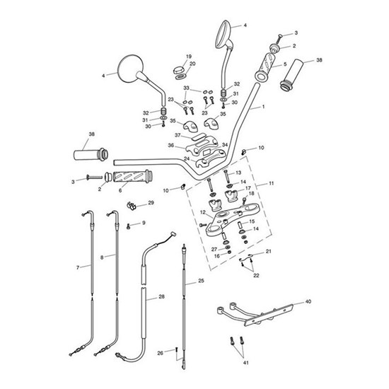
Triumph Plaque, Handlebar Clamp

Triumph Ersatzteil
EUR 86,63
Verfügbarkeit: Zur Zeit nicht lieferbar
Artikelnummer: T2045057
Lieferzeit: 6 - 12 Werktage